输入捕获的作用
可以用来捕获输入信号的上升沿或者下降沿
多用于测量PWM的周期/频率,只要测量出连续两个上升沿或者下降沿的时间间隔,即可通过计算得出
也可以计算占空比,只要测量出连续的一个上升沿和下降沿的时间间隔,就可以得出高电平宽度t,用以计算占空比

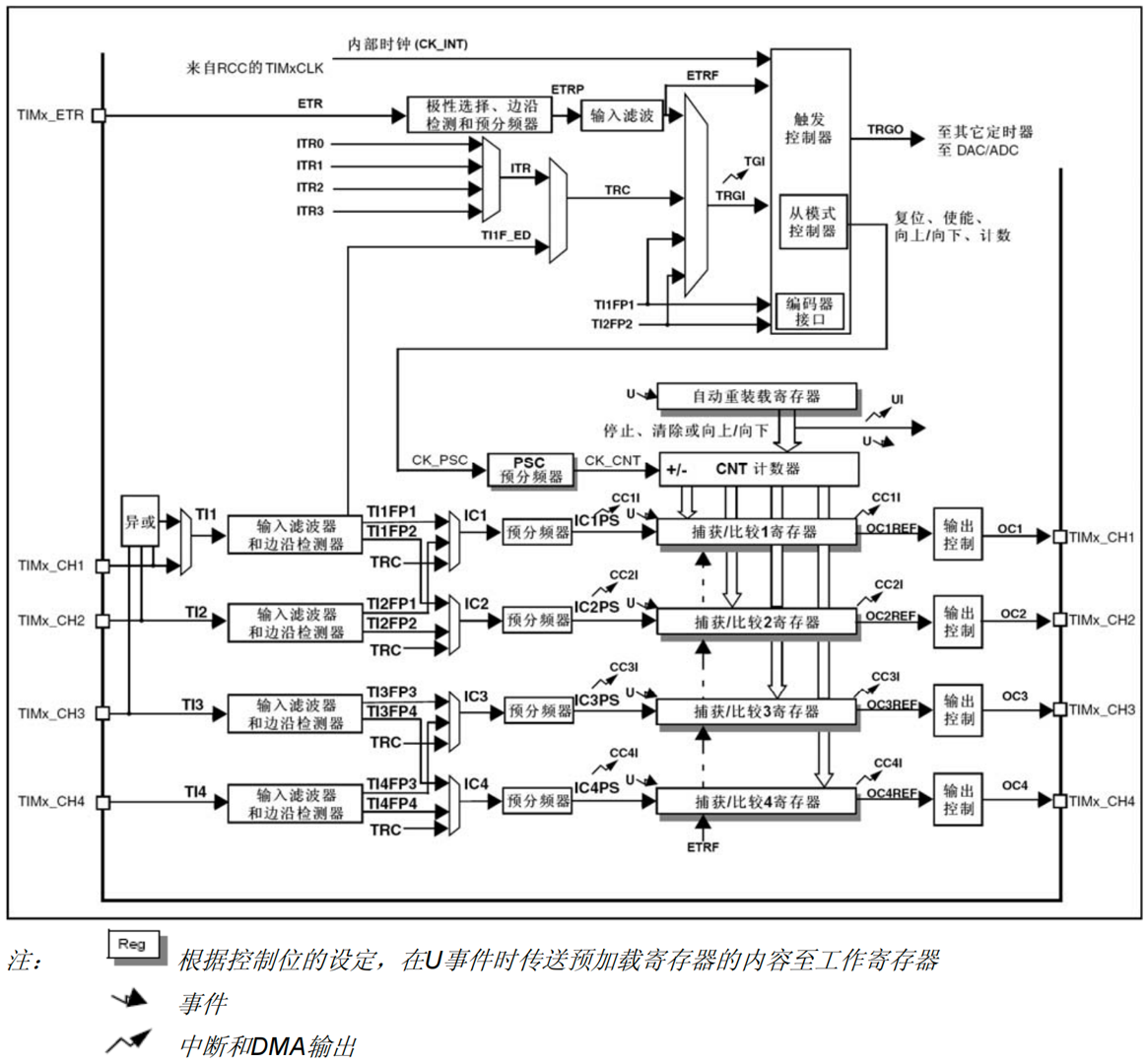
输入捕获框图

包含三部分
输入部分
共4路输入信号,每路都有自己的输入引脚,且与输出比较引脚共用引脚,因此同一路引脚只能处于一种状态
计数器部分
捕获寄存器部分
共有4路,与比较寄存器共用
输入捕获原理
以通道1为例
假设计数器向上计数,重装载寄存器的值为65535,尽量避免计数器溢出
这么操作是因为我们的输入捕获不需要使用重装载寄存器进行什么操作,只用来计数,假如寄存器溢出后重装载,我们的计数可能又要进行取余再计算等操作,为了避免这种情况的发生,我们取了寄存器可以写入的最大值
信号通过通道1的引脚进入通道1,得到TI1
TI1信号进入滤波器和边沿检测器滤掉毛刺信号
如果信号质量好可以不滤波
边沿检测器确定要捕获上升沿还是下降沿
从边沿检测器出来的上升沿或下降沿信号为TI1FP1
TI1FP1经过信号选择器得到IC1
IC1进入与分频器,可以对信号进行选择分频或不分频,如果信号频率很高,可以分频
信号从预分频器出来,信号为IC1PS
会产生一个捕获比较事件
如果开启了中断也会产生捕获比较中断
立即把计数器寄存器的值存入到捕获寄存器中。在下次捕获时间产生之前,捕获寄存器的值不会发生变化